Product Summary
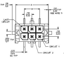
The 430450418 is a 3.00mm Pitch Micro-Fit 3.0 Header.
Parametrics
430450418 absolute maximum ratings: (1)Current - Maximum per Contact: 5A; (2)Voltage - Maximum: 250V; (3)Temperature Range - Operating: -40℃ to +105℃.
Features
430450418 features: (1)Orientation: Vertical; (2)PCB Locator: Yes; (3)PCB Retention: Yes; (4)PCB Thickness - Recommended: 1.60mm; (5)Packaging Type: Embossed Tape on Reel; (6)Pitch - Mating Interface: 3.00mm; (7)Plating min - Mating: 0.889μm; (8)Plating min - Termination: 0.889μm.
Diagrams

![]() |
![]() 4304.4003 |
![]() Schurter |
![]() AC Power Entry Modules FKH2-50-4/I APPLIANC INLET FILTER 4A |
![]() Data Sheet |
![]()
|
|
||||||||||||
![]() |
![]() 4304.4004 |
![]() Schurter |
![]() AC Power Entry Modules FKH2-50-6/I APPLIANC INLET FILTER 6A |
![]() Data Sheet |
![]()
|
|
||||||||||||
![]() |
![]() 4304.4022 |
![]() Schurter |
![]() AC Power Entry Modules w/Fuseholder and Switch 250 VAC 2A |
![]() Data Sheet |
![]()
|
|
||||||||||||
![]() |
![]() 4304.4024 |
![]() Schurter |
![]() AC Power Entry Modules w/Fuseholder and Switch 250 VAC 6A |
![]() Data Sheet |
![]()
|
|
||||||||||||
![]() |
![]() 4304.4025 |
![]() Schurter |
![]() AC Power Entry Modules w/Fuseholder and Switch 250 VAC 10A |
![]() Data Sheet |
![]()
|
|
||||||||||||
![]() |
![]() 4304.4028 |
![]() Schurter |
![]() AC Power Entry Modules FKI2-50-4/M80 APPLNC INLET FILTER 4A |
![]() Data Sheet |
![]()
|
|
||||||||||||
(China (Mainland))









