Product Summary
The 1649329-7 is a General Purpose Relay. The applications of the 1649329-7 include Boiler control, timers, garage door control, POS automation, interface modules.
Parametrics
1649329-7 absolute maximum ratings: (1)Contact - Rated Current (A): 8A; (2)Coil - Resistance (Ω): 5520Ω; (3)Coil - Rated Power, DC (mW): 400mW; (4)Actuating System: DC; (5)Coil - Rated Power (W): 0.40W; (6)Input Voltage (VDC): 48V; (7)Insulation - Special Features: None; (8)Insulation - Initial Dielectric Between Contacts and Coil (V rms): 5000Vrms; (9)Insulation - Tracking Index of Relay Base = PTI250; (10)Coil Rating: Sensitive; (11)Release/Reset Voltage (V): 4.8V.
Features
1649329-7 features: (1)2 pole 8A, 2 form C (CO) or 2 form A (NO) contacts; (2)DC or AC coil; (3)5kV/10mm coil-contact, reinforced insulation; (4)Ambient temperature up to 85℃; (5)WG version: product in accordance to IEC60335-1; (6)Reflow version: for THR (Through-Hole Reflow) soldering process.
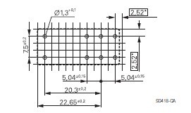
Diagrams

![]() |
![]() 1649 |
![]() Keystone Electronics |
![]() Prototyping Products BOARD SUPPORT BRKTS |
![]() Data Sheet |
![]()
|
|
||||||||||||||
![]() |
![]() 164900-5 |
![]() TE Connectivity |
![]() D-Sub Tools & Hardware LOCK.POST ASSY.KIT |
![]() Data Sheet |
![]()
|
|
||||||||||||||
![]() |
![]() 1649020000 |
![]() |
![]() CONN PCB BLL 5.08 180 13POS OR |
![]() Data Sheet |
![]() Negotiable |
|
||||||||||||||
![]() |
![]() 1649030000 |
![]() |
![]() CONN PCB BLL 5.08 180 14POS OR |
![]() Data Sheet |
![]()
|
|
||||||||||||||
![]() |
![]() 1649040000 |
![]() |
![]() CONN PCB BLL 5.08 180 15POS OR |
![]() Data Sheet |
![]() Negotiable |
|
||||||||||||||
![]() |
![]() 1649050000 |
![]() |
![]() CONN PCB BLL 5.08 180 16POS OR |
![]() Data Sheet |
![]()
|
|
||||||||||||||
(China (Mainland))









