Product Summary
The 5-1393211-7 is a General Purpose Relay.
Parametrics
5-1393211-7 absolute maximum ratings: (1)Contact arrangement: 2 form A (NO), 2 form C (CO); (2)Rated voltage: 277VAC; (3)Max. switching voltage: 600VAC; (4)Rated current: 30A NO; 3A NC; (5)Limiting continuous current: 30A NO; 3A NC; (6)Limiting making current: 30A NO; 3A NC; (7)Limiting breaking current: 30A NO; 3A NC; (8)Contact material: AgSnOInO, AgCdO; (9)Min. recommended contact load: 500mA (NO)/ 100mA (NC), 12VAC; (10)Frequency of operation, with load: 360hr; (11)Operate/release time max., including bounce: 15/15ms.
Features
5-1393211-7 features: (1)30A, 2 form A (NO) and 2 form C (CO) switching capability; (2)Designed to control compressor loads to 3.5 tons, 110LRA/25.3FLA; (3)Meets requirements of UL 508 and UL 873 spacings - 8mm through air, 9.5mm over surface; (4)Meets requirements of VDE 8mm spacing, 4kV dielectric coil-to-contact; (5)Meets requirements of UL Class F construction; (6)UL approved for 600VAC switching (1.5HP); (7)New screw terminal version (consult factory for availability, ratings).
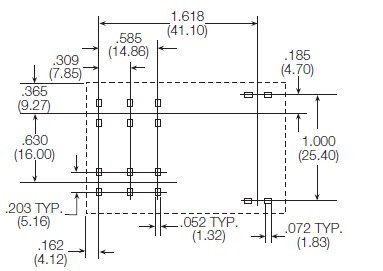
Diagrams

![]() |
![]() 5-1333200-0 |
![]() TE Connectivity |
![]() Hand Tools ANVIL COMBINATION .033 -.046 |
![]() Data Sheet |
![]()
|
|
||||||||
![]() |
![]() 5-1333200-1 |
![]() TE Connectivity |
![]() Hand Tools ANVIL, COMBO .033 -.046 |
![]() Data Sheet |
![]()
|
|
||||||||
![]() |
![]() 5-1333201-0 |
![]() TE Connectivity |
![]() Hand Tools ANVIL, COMBO .055 |
![]() Data Sheet |
![]()
|
|
||||||||
![]() |
![]() 5-1333201-1 |
![]() TE Connectivity |
![]() Hand Tools ANVIL, COMBO .055 |
![]() Data Sheet |
![]()
|
|
||||||||
![]() |
![]() 5-1333201-2 |
![]() TE Connectivity |
![]() Hand Tools ANVIL COMBINATION 0.055 |
![]() Data Sheet |
![]()
|
|
||||||||
![]() |
![]() 5-1333201-4 |
![]() TE Connectivity |
![]() Hand Tools ANVIL COMBINATION 0.055 |
![]() Data Sheet |
![]()
|
|
||||||||
(China (Mainland))








